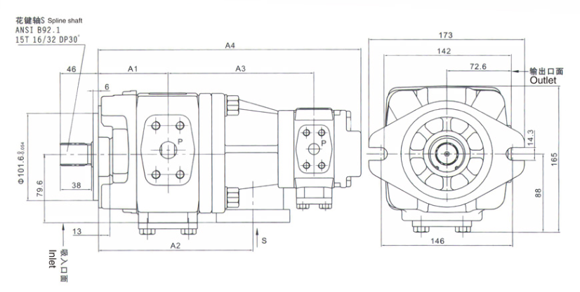
HL10系列内啮齿轮泵双联泵
申明:本站所销售原装正品的品牌LOGO、产品图片均属原品牌商所有!
|台湾ELITE艾利特液压|ELITE油泵|ELITE齿轮泵|ELITE叶片泵|ELITE电磁阀|ELITE油缸|